Sistema Active Electronic Scanned Array (AESA): Progetto di Amplificatore di Potenza (PA) MMIC In tecnologia GaN
Articoli di riferimento:
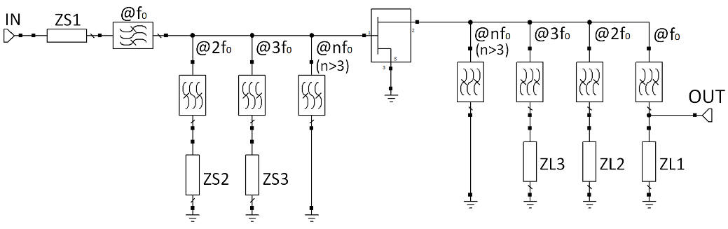
S Band Hybrid Power Amplifier in GaN Technology with Input/Output Multi Harmonic Tuned Terminations

Sistema Active Electronic Scanned Array (AESA): Progetto e Misure su un Sistema AESA per Satelliti LEO
Articoli di riferimento:
Link Budget and Antenna Design for an AESA in the FR2 n512 Bands

PROGETTO DI UN RADAR FMCW PER IL MONITORAGGIO DELL'ATTIVITA' CARDIORESPIRATORIA
Articoli di riferimento:
PROGETTO DI UN RADAR ARMONICO PER IL MONITORAGGIO DI TARGET NON LINEARI
Articoli di riferimento:
An Intermodulation Radar for Non-Linear Target and Transceiver Detection
